SPECIFICATION
모터 전장 (Motor Length) | 79 | 94 | [ mm ] |
---|---|---|---|
정격 전압 (Rated Voltage) | 24 | 24 | [ VDC ] |
무부하 전류 (No Load Current) | 0.40 | 0.45 | [ A ] max |
무부하 속도 (No Load Speed) | 3650 | 4000 | [ RPM ] ± 10% |
정격 부하 (Rated Load) | 1.152 | 1.152 | [ kgf-cm ] |
부하시 전류 (On Load Current) | 2.70 | 3.00 | [ A ] max |
부하시 속도 (On Load Speed) | 2210 | 3050 | [ RPM ] ± 10% |
정격 출력 (Rated Output) | 26 | 36 | [ W ] |
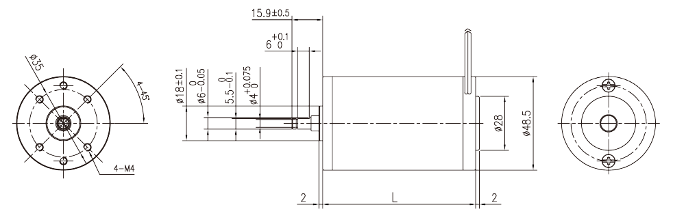
Dimension

Graph
이전글 | M52 Series |
---|---|
다음글 | M50 Series |